Wigam Reco Plus R134a
Profesionalni punjač auto klima sa ekranbom osjetljivim na dodir 7", koji je kompaktibilan sa sadašnjim R134a i R1234yf te sa plinovima koji dolaze na tržište i zamjenit će postojeće plinove R456a, R513a ,
Ukupno0.00 €Kupi0
Nema proizvoda u košarici
Jednostupne dizalice njemačkog proizvođača ATH Heinl , verzije mobilne i fiksne te sa nosivosti 1200-3500 kg
Profesionalni punjač auto klima sa ekranbom osjetljivim na dodir 7", koji je kompaktibilan sa sadašnjim R134a i R1234yf te sa plinovima koji dolaze na tržište i zamjenit će postojeće plinove R456a, R513a ,
3,230.00 € 2,584.00 €
U košaricu DodanoSamostalni videoskop kamera promjera 5.5 mm , LCD ekran u boji , ULTRA LED osvjetljenje, snimanje slika + VIDEO snimke, MICRO SD kartica, idealno za ulaz u motor kroz grijače i ostale male prostore
159.00 €
U košaricu DodanoSet sadrži AutoCom ICON + TRUCK Licenca + profesionalni tablet otporan na padove i otporan na proodor vlage i prašine po sustavu IP67 , operativni sustav windows 11, sa ekranom osjetljivim na dodir, 10,1" LCD ekran , Full HD rezolucija, 1 USB klasični , 1 USB C konektor, integrirana baterija, 8 GB RAM memorije , 256 SSD memorije
4,906.00 € 3,434.20 €
U košaricu DodanoVišenamjenski punjač baterija napajanje do max 100A, posebno razvijen za programiranje centrala vozila koji daje visoku amperažu pri vrlo preciznom naponu.
1,290.00 € 890.00 €
U košaricu DodanoRondo ulje u spreju - Ulje za podmazivanje površina i dijelova ( 400 ml )
7.00 € 4.90 €
U košaricu DodanoJednostupna elektrohidraulična dizalica nosivosti 2500 kg , napajanje 380V , snaga motora 1,5 kW
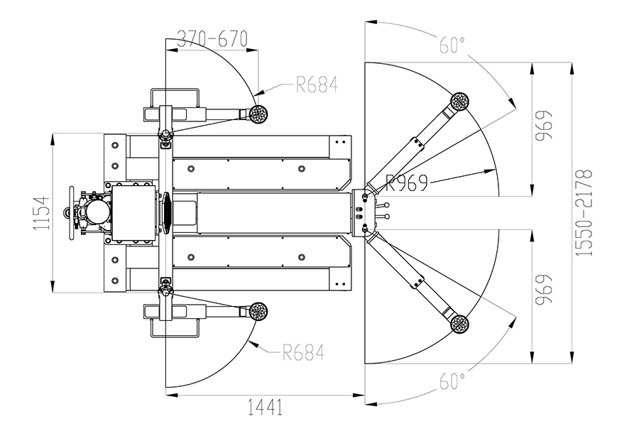
KARAKTERISTIKE DIZALICE :
NAPOMENA : Cijene na internet stranici su okvirne i nemoraju nužno biti točne, zbog velikih i brzih promjena cijena na tržištu , sirovina i transporta - cijena proizvoda se može promjeniti bez prethodne najave te za svaku narudžbu stroja i opreme poslati ćemo Vam prvo ponudu sa točnom cijenom , sa uključenom dostavom i točan izračun rata za financiranje stroja !!!
Ukoliko opremate radionicu i kupujete više strojeva , opreme, alata itd.. kontaktirajte nas za specijalne cijene i popuste !!!
PLAĆANJE NA RATE FINANCIRANJE NA 36 MJESECI ( OKVIRNI IZRAČUN - NA PONUDI ĆEMO VAM POSLATI TOČAN IZRAČUN )
PREDNOSTI FINANCIRANJA OPREME
DODATNE INFORMACIJE O PROIZVODU
UVJETI KUPNJE I JAMSTVA
| Svojstva proizvoda | Vrijednost |
|---|---|
| SKU | 612010 |
| Nema podataka | |
Financiranje na rate sa GRENKE.
Na 24-36-48-60 mjeseci za strojeve za iznose iznad 400 eura + pdv.
Narudžbe ispod 20 eura ne prihvaćamo.